产品目录

技术文章
首页 > 技术文章 > 冷热冲击试验箱不降温,冷媒泄露排查
冷热冲击试验箱不降温,冷媒泄露排查
更新时间:2023-01-16 点击量:1415
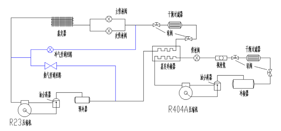
冷热冲击箱制冷系统一般采用 R404A、R23 两种冷媒。R404A 设计成单级制冷系统,单独使用;R23 须搭配 R404A 组成复叠式制冷系统。进行冷热冲击试验时,为保持试验箱性能的持续稳定,应避免频繁启动关闭压缩机。
无论是单极还是复叠式制冷,都需要维持制冷系统在低制冷输出甚至零制冷输出时的运行,冷热旁通方式维持回气是常用的方法。为了保证压缩机的回油和电机冷却,制冷系统对*低回气压力的运行有要求。当试验箱所需的蒸发量不足以维持压缩机的*低吸气压力时,额外的回气补充非常重要。冷热旁通连接方式如下:

以复叠式制冷系统为例,进行冷热冲击试验时,温度无法下降,怎样排查,如何确定是冷媒泄露呢?复叠式制冷系统,R404A 用于辅助制冷,R23 用于主机组制冷。当低温达不到我们所设定的数值,又未出现超压报警时,很有可能是 R23 制冷剂泄漏了。排查顺序一般为电气系统—制冷系统。
- 首先观察试验时制冷压缩机是否能够正常启动,若能够正常启动,则说明电气系统正常。
- 再检查制冷系统的 R23 压缩机的排气与吸气压力值,若都偏低,且吸气压力呈抽真空状态,则说明 R23 制冷剂缺乏。
- 用手摸主机组 R23 压缩机的排气和吸气管路,如果排气管路的温度不高,吸气管路的温度也不低(未结霜),说明主机组制冷剂(R23)缺乏。
- 如果 R23 压缩机各数值、温度正常。当两组压缩机同时工作,降温正常,但速率降低。关闭辅助机组,无法降温,则说明 R23 压缩机冷媒泄露;反之,辅助机组冷媒泄露。
确定是主机组或辅助机组冷媒泄露后,采用肥皂水与检漏仪检测是哪个部位漏冷媒,进行补焊抽真空加冷媒,然后进行冷热冲击试验,检查冲击曲线是否正常。